Induction heating
Application Overview
Application Overview
The working principle of a high-temperature furnace is based on heat conduction and radiation heat transfer. The heat generated by the heating element is transferred to the furnace body and materials, causing furnace body temperature to rise. The inner control system plays a crucial role in achieving precise temperature control.
The core component of the control system is IGBT, and heat dissipation, switch losses, overvoltage, and other issues should be considered during power device work. For high-temperature furnaces with 8KW and higher power, half bridge or full bridge circuits are generally used to achieve high-power output, and the general IGBT modules utilize specification of 1200V 150A/200A.
Induction heating
Application System Diagram
Application System Diagram
Induction heating
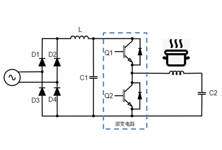
Application Topology Diagram
Application Topology Diagram
Induction heating
Recommended Products
Recommended Products
IGBT Modules Product List
| Part Number | VCE(V) | Ic(A)@100℃ | Vcesat(V) @25℃ typ |
Eon(mJ) | Eoff(mJ) | Package | Datasheet |
|---|---|---|---|---|---|---|---|
| MPFF300R12KB | 1200 | 300 | 1.87 | 14.96 | 18.91 | 62mm module | Download |
| MPFF200R12RB | 1200 | 200 | 2.26 | 22.7 | 17.1 | 34mm module | Download |
| MPFF200R12KB | 1200 | 200 | 2 | 2 | 12.1 | 62mm module | Download |
| MPFF150R12RB | 1200 | 150 | 2 | 3.6 | 8.7 | 34mm module | Download |
| MPFF100R12RB | 1200 | 100 | 1.95 | 6.87 | 5.44 | 34mm module | Download |
| MPFF75R12RB | 1200 | 75 | 2 | 5.4 | 4.1 | 34mm module | Download |
| MPFF50R12RB | 1200 | 50 | 1.9 | 3.58 | 1.7 | 34mm module | Download |
Silicon-based chip and module series
Third generation semiconductor chip and module series